ЗАО "МОТОРСЕРВИС"
|
Инженерно-технический центр
сервис: +7 (925) 390-07-11
MAX, Telegram: +7 (925) 390-00-14
Распродажа запчастей Mercury

MERCURY в вопросах и ответах

Сергей
Еще раз спасибо.По схеме очень быстро нашли.Обрыв в одной катушке в триггере.заменили узел.Мотор благодарно заурчал.
Отлично! Но это не столько потому что принципиальную схему мы дали, а в основном потому что Вы сами уже предварительно знали где искать. Всегда приятно общаться с технически грамотными владельцами моторов.
Эдгар
меркури 90еlpt 4s со всех 4-х карберов в сторону воздушника льется бензин. Если поработать грушой сильно, то тоже льется. В чем причина ?
Дистанционно невозможно сказать о причине. Имея мотор в руках причину найти гораздо быстрее чем если мы начнем транслировать догадки.
Сергей
Добрый день.Огромнейшее спасибо.Этого вполне достаточно для понимания сути.Удачи Вам
Понятно. Успехов Вам в поиске причины неисправности.
Сергей
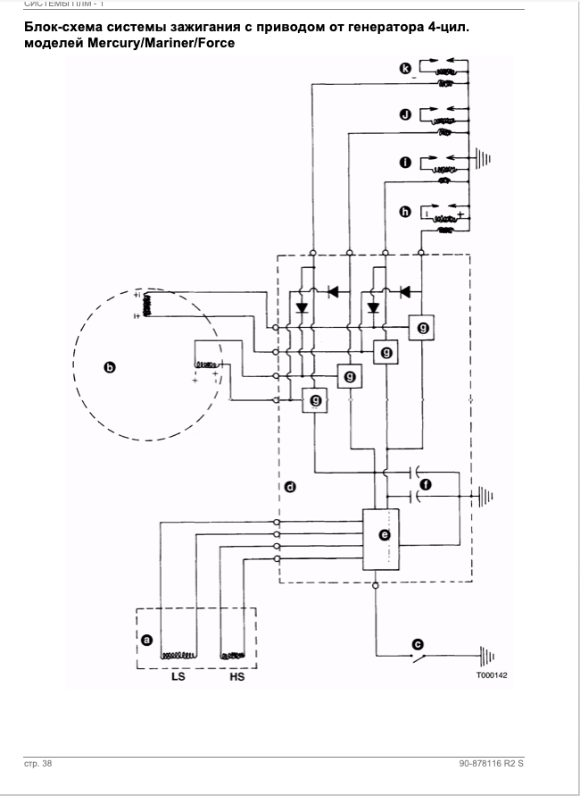
Добрый вечер.Подскажите можно ли проверить тестером триггер 96452А4 (нет искры на 3 цил) при перекидывании провода из триггера со 2 цил искра появляется.Как я понял по схеме "правда она смазана"каждые 4 провода должны прозваниваться через катушки на корпус триггера .Провода массы нет.Мотор 50 2т 4 цил хоть и в возрасте но работал прилично.СПАСИБО
Эти 4 цилиндровые моторы давно сняты с производства и инструкций на них сейчас найти нереально. Прерывистая или слабая искра или ее отсутствие на ДВУХ свечах зажигания обычно вызвана неисправностью ПУСКОВОЙ КАТУШКИ или КОММУТАТОРА. Есть только общее описание принципов построения схемы зажигания на таких моторах.
Артем
Добрый день. Мотор стационарный Mercury Sport Jet 200, во время движения звучат 4 коротких сигнала, уровень масла в баке в норме. Температура двигателя в норме. Минут через 5-10 сбрасывает обороты. Возможные причины?
4 коротких сигнала - это либо низкий уровень масла, либо вода в топливе. Подключение диагностического сканера даст точный ответ о причинах неисправности в данном случае. Если разобраться в проблеме не удастся- вызывайте нашего механика.
Иван
Добрый день! Что необходимо сделать и какие ЗПЧ приобрести для превращения 4-х тактного мотора Mercury F9,9 , ser.? 0R471360, 2012 года выпуска, изготовленного в Японии, в 15 л.с.
Здравствуйте Иван. Из него невозможно сделать 15 сил в принципе, так как это мотор объемом 209см2, и 10 сил это максимальная мощность для этого мотора.
Николай
Сколько стоит диодный кабель 883834а1
7286 рублей. http://catalog.mercury-ms.ru/scheme.php?doc=883943006&index=11762&block=30&path=COMMON&refNum_s=883834A1
андрей
купил мотор mercury 115 ELPT4S(серийный номер 1В739491) 2009 года бу в полуразобранном виде. нет генератора электростартера эбу сепаратора в сборе одной форсунки топливная рампы гидроподьема можно заказать эти запчасти и сколько это будет стоить?
http://catalog.mercury-ms.ru/scheme.php?doc=898101362&index=12586&block=30 - Вот ссылка на Ваш двигатель в нашем каталоге запчастей. По ней Вы можете посмотреть актуальную стоимость необходимых Вам деталей в разных разделах двигателя. В наличии, к сожалению, нет ничего из Вашего списка. Срок поставки от 2 до 3 месяцев при условии наличия на европейском складе.
Артём
Здравствуйте. Меркурий efi50, вибрация(детонация) на холостых оборотах
Для выяснения причин неустойчивой работы двигателя задавать вопросы через мессенджеры бесполезно- причин может быть с десяток, а ясновидящих в штате сервисных компаний пока нет. Первое что Вы можете сделать самостоятельно при появлении признаков неустойчивой работы- заменить комплект свечей на новый. Если проблема останется- вызывайте механика Mercury или привозите катер в сервис.
Анатолий
Купил меркури 8 двухтактный Нет описания . на блоке 875-8472 С 3 и на шильде 9645217 . Какая это модель и описание как пользоваться ?
Скорее всего вот этот мотор объемом 209 см2: http://catalog.mercury-ms.ru/scheme.php?doc=811286&index=496&block=10
следующие 10 вопросов | предыдущие 10 вопросов
Показано записей с 351 по 360 из 9573 записей

Задайте свой вопрос

Ваше имя:
Вопрос:
Введите эти цифры, добавив ноль в конце: